無帰還半導体アンプ基板製作会

2006年2月11日
和泉橋区民会館

 無帰還半導体アンプは、真空管アンプに近い柔らかで比較的無難な音質です。しかし、アンプの数が少ないので、この音を聞くチャンスはあまりありません。 じっくり聞き込むためには、自作する以外に方法がありません。
 そこでプリント基板を作る会を開催し、無帰還半導体アンプ製作の手助けをすることにしました。参加者は、「手作りアンプの会」の三土会、お寺大会で実際 に音を聞いたことのある人たち7人でした(事前に作った人を加えると11人)。
 いわゆるNFBを掛けないので発振する心配が無く、テスターだけで製作可能です。(他に、可能であればスライダック或いは調光器があると調整時の半導体 破壊防止に有効です。)
 製作した基板の回路図、パターンデータなどを以下に示します。

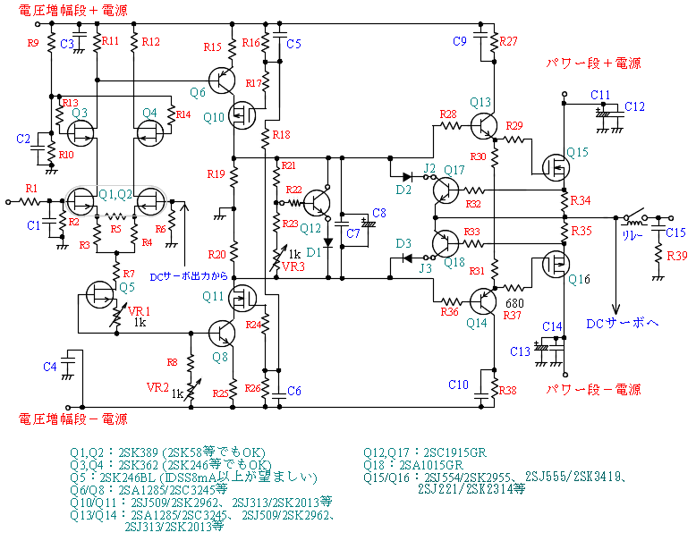
25Wアンプの回路図  (パ ターン全部を使う場合の回路図
保護回路、  DCサーボの回路図
パターン面
25Wアンプのパーツ面  (パターン全部を使う場合のパーツ面
パターンデータ(pdfファイル)


 製作の説明はこ ちらを参考にして下さい。



パターンを印 刷したフィルムをガラス板に貼り付け
OHPシートは印刷の薄い場所があるので、2枚重ねにして使います。基板への密着面を間違えないよう に!! 反対に作ってしまった例がありました。



フィルム貼り付け作業中


フィルムに基板を乗せる作業中
ガラスに貼り付けたフィルムの上に基板を乗せます。


露光準備
蛍光灯と基板の間に3cmほどのスペーサーを入れます。



露光中(25分間)


エッチング中
右端のバットに入っているのは現像液(最初は透明だが、露光後の基板を入れるとレジ ストが溶け出して青色になる)

現像して銅箔が見えたら、水で軽く洗い、エッチングする。


エッチング後、レジスト除去
スチールタワシでレジストを除去します。


レジスト除去2


フラックス塗布
レジストを除去したら、水道水で軽く洗い、水分を拭き取ります。乾燥したら直ぐにフラックスを塗ります。(放置しておくと直ぐに錆びてきます)


穴開け
ミニドリルで、穴を開けます。数が多いので、慎重かつ気長に作業します。


穴開け



穴開け


穴開け
小型のボール盤があれば、精度が出ます。


基板のチェック


基板のチェック
(穴開けが全て終わっているか確認します。意外とミスがあるものです。)


会場の様子


会場の様子